Why not starting the blog for noisio.de with a simple noise circuit? Have you (like me) ever been searching for a small voltage noise-generator? So maybe this is for you.
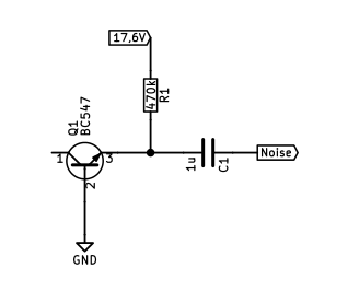
It's easy to find schematics of (white-)noise sources in the www(1)(2). Most of them use reverse connected base-emitter transitions of standard npn transistors with open collector. Others take zener-diodes in reverse. You'll get a broadband noise signal but you'll need per minimum 11-12v of supply voltage.
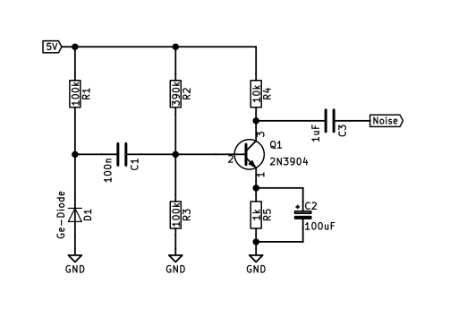
While experimental substituting the semiconductor with a germanium-diode I could get the same behavior with minimal 3v supply.

You should test different diodes because some are more or less noisy. The best one I've found (a 1N34a) gave me 30mV peak to peak at 3V. As with the common BJT circuits you'll need a following amp stage.
This circuit gave me 1vpp white noise with just 5v of supply:

(1) Pink Noise Generator for Audio Testing @ Elliott Sound Products
(2) Noise Generator Modul @ experimentalistsanonymus
